Seismometer im Selbstbau

Sicherheit zuerst: Befahrungstechniken, Seiltechnik, Ausrüstung. Foto, Messung, Befahrung, Rettung und co. - alles was man so mit in den Berg nehmen könnte und sollte.
Niklas
Foren-User
Beiträge: 59
Registriert: Mi. 22. Feb 12 16:12
Wohnort: Pettenbach, Österreich

Seismometer im Selbstbau

Beitrag von Niklas »

Seismometer im Selbstbau

Ermuntert durch andere Forumsmitglieder habe ich mich entschlossen, einen Diskussionsstrang zu eröffnen, der sich mit dem Selbstbau von Seismometern beschäftigen soll. Ich tue das nicht ohne vorher ein paar grundlegende Dinge klar zu stellen.

Ich bin kein Bergmann. Ich bin in diesem Forum gelandet, weil ich hier einen interessanten Beitrag über den Selbstbau eines Gamma-Spektrometers fand und fühlte mich stets gut aufgenommen. Zudem wurde mir versichert, dass ein Beitrag über Seismik gut in ein geologisches Forum passen würde.

Ich bin kein Geophysiker. Ich betreibe die Seismik als Hobby und aus Leidenschaft. Sie erfordert ein großes Maß an interdisziplinärem Denken – sie vereint Naturwissenschaft, Mechanik, Elektronik und Datenverarbeitung – genau das macht sie so spannend.

Ich habe in meinem Leben keinerlei technische Ausbildung genossen, weder in Elektrotechnik, Elektronik oder Maschinenbau. Alles was ich hier zum Besten gebe beruht auf Informationen aus einschlägiger Literatur, Zeitschriften und aus dem Internet.

Somit erhebe ich keinen Anspruch auf Richtigkeit oder Vollständigkeit meiner Angaben. Vieles kann man anders machen, manches auch besser. :wink: Jeder, der etwas nachbaut, tut das auf eigene Gefahr und Risiko.

Es gibt viele Informationen im Netz, die sich mit der Physik der Seismometer beschäftigen. Wer sich ernsthaft mit der Thematik befassen will, wird nicht darum herum kommen, den einen oder anderen gegoogelten Beitrag zu lesen.

Wer etwas besonders Brauchbares gefunden hat, möge bitte einen Link zu der entsprechenden Seite hier im Forum veröffentlichen!

Bezüglich meiner Ausführungen sei bemerkt, dass es sich nicht um eine Bauanleitung im klassischen Sinn handelt. Es sind lediglich Vorschläge, wie man an die Sache heran gehen kann. Ich wünsche mir eine möglichst breite Diskussion und bin für Kritik und Verbesserungsvorschläge mehr als offen! Vielleicht findet sich noch ein Geophysiker, der uns hier zur Seite steht!

Die Schaltpläne, die ich verwendete, stammen überwiegend von Larry Cochrane aus Redwood City, Californien. Die Veröffentlichung erfolgt selbstverständlich mit seiner Zustimmung. Die Hardware der Instrumente sind Eigenkonstruktionen.

Bis bald,

Niklas


wird fortgesetzt...
Niklas
Foren-User
Beiträge: 59
Registriert: Mi. 22. Feb 12 16:12
Wohnort: Pettenbach, Österreich

Horizontal-Seismometer

Beitrag von Niklas »

Horizontalseismometer


Meine ersten Versuche machte ich mit einem Lehman-Seismometer. Das Instrument besteht aus einem waagrechten, beweglich aufgehängten Arm, der die Seismische Masse trägt. Seine Achse weicht etwa 2 Grad von der Lotrechten ab, sodass die Masse immer in die Ruhelage zurückkehrt. Man nennt das "gardengate Prinzip", weil der Arm ähnlich einem Gartentor mit schiefem Pfeiler immer zufällt. Die spezielle Art der Montierung bedingt eine extrem lange Periodendauer des Pendels – mit 60 cm Armlänge schaffte ich es auf rund 36 Sekunden, kein schlechter Wert. Immerhin müsste ein Fadenpendel bei gleicher Frequenz über hundert Meter lang sein…
lehman1.jpg
lehman1.jpg (46.59 KiB) 31483 mal betrachtet
Nachteil der Konstruktion ist einerseits die Größe bzw. Sperrigkeit des Instruments, zudem ist das Aufstellen und Einstellen ziemlich heikel.

Am meisten störte mich aber die induktive Abnahme des Signals, speziell bei langperiodischen Bodenbewegungen wird die induzierte Spannung sehr gering. Auch die passive Dämpfung im Ölbad war mir nicht wirklich sympathisch (hier schon durch eine magnetische ersetzt).

Deshalb entschied ich mich zum Bau eines Shackleford Gundersen Seismometers mit kapazitivem Positionssensor und aktiver Dämpfung. Was das genau sein soll, werde ich im folgenden Beitrag erklären. Nur so viel sei verraten: Der relativ einfach zu verwirklichende Sensor hat eine Auflösung in zweistelligen Nanometerbereich (ein Metallatom hat ~ca. 25nm). Damit ist es möglich, die permanente Bodenunruhe darzustellen (dazu später mehr) und ein Erdbeben ab einer Magnitude von etwa 5,5 zu registrieren, (fast) egal, wo auf der Welt es sich ereignet.

Um den Bau zu vereinfachen, habe ich eine Platine entworfen, die zusammen mit Messingstäben den Rahmen für das Instrument bildet. Die Messingstäbe dienen gleichzeitig der Spannungsführung für den Oszillator (und die LED) ganz oben, sowie für die Dämpfungsspule.


LG Niklas

wird fortgesetzt...
Sensor lowres.jpg
Sensor lowres.jpg (90.32 KiB) 31483 mal betrachtet
Pendellager lowres.jpg
Pendellager lowres.jpg (77.81 KiB) 31483 mal betrachtet
Zuletzt geändert von Niklas am Sa. 14. Jul 12 8:04, insgesamt 1-mal geändert.
Niklas
Foren-User
Beiträge: 59
Registriert: Mi. 22. Feb 12 16:12
Wohnort: Pettenbach, Österreich

Vertikalseismometer

Beitrag von Niklas »

Vertikalseismometer

Mein Vertikalseismometer arbeitet nach dem La Coste Prinzip und benutzt den gleichen kapazitiven Positionssensor wie das Horizontalseismometer, das trifft auch auf die aktive Dämpfung zu. Es handelt sich noch um den Prototypen, eine verbesserte Version ist noch in Arbeit.

Die Abspannung des Armes, der die ca. 60 Gramm schwere Seismische Masse trägt ist eine Spiralfeder, die ich in einer Eisenhandlung gefunden habe. Die Lagerung (rechts im Bild) besteht aus zwei schmalen Metallstreifen, die ich einer Rasierklinge entnommen habe. Auch hier gibt es bessere Möglichkeiten.

Die ersten 20 "Erdbeben", die ich mit dem Instrument gemessen habe waren Erschütterungen, die mein Kühlschrank verursacht hat wenn sich der Kompressor abschaltet.

Aus Zeitgründen hier zunächst ein paar Bilder:
Vertikal1.jpg
Vertikal1.jpg (107.1 KiB) 31479 mal betrachtet
VertSensor1.jpg
VertSensor1.jpg (110 KiB) 31479 mal betrachtet
Gut zu sehen ist hier die Dämpfungsspule, die gegen den Permanentmagnetstab arbeitet und die Eigenschwingung des Armes nach ca. 1.5 Perioden beendet.

Die beiden antiparallel geschalteten LED im vorteren Teil gehören zum Tilt-Sensor. Ist das Instrument schlecht kalibriert, leuchtet eine der beiden auf.



LG Niklas

wird fortgesetzt...
Zuletzt geändert von Niklas am Do. 21. Jun 12 15:55, insgesamt 1-mal geändert.
Niklas
Foren-User
Beiträge: 59
Registriert: Mi. 22. Feb 12 16:12
Wohnort: Pettenbach, Österreich

Positionssensor und Vorverstärker

Beitrag von Niklas »

Positionssensor und Vorverstärker

Die Zeiten, als Seismografen über komplizierte Mechaniken schwarze Zickzacklinien auf riesige Papierrollen kratzten sind glücklicherweise vorbei. Damit verschwanden auch die oftmals tonnenschweren Massen aus den Instituten, die für diese Art der Aufzeichnung notwendig waren.

Heute liefern Seismometer elektrische Signale, die elektronisch verarbeitet werden.

Es gibt verschiedene Wege, aus der Bewegung zwischen der (möglichst ruhend) aufgehängten Masse und dem Untergrund ein Signal zu gewinnen. Am einfachsten geht das elektrodynamisch: ein am Pendel befestigter Permanentmagnet bewegt sich in einer stationären Spule (oder umgekehrt) und erzeugt durch Induktion eine Spannung. Hierbei wird praktisch die Geschwindigkeit gemessen, da die Induktionsspannung mit der Geschwindigkeit der Bewegung schwankt.

Hier wird auch gleich der Nachteil klar: bei sehr langsamen Bewegungen wird die Spannung sehr klein. Vergessen wir nicht, dass es Bodenbewegungen gibt, die sich über eineinhalb Minuten und mehr hinziehen...

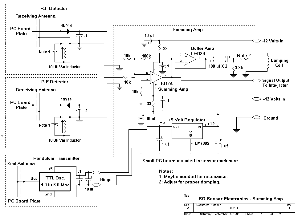
Eine bessere Möglichkeit ist der Einsatz differentialkapazitiver Positionssensoren. Damit wird die Lage der Masse zum Untergrund gemessen, unabhängig von ihrer Geschwindigkeit. Zur Funktionsweise hier ein Schaltplan, mit freundlicher Genehmigung von Larry Cochrane:
sgsumamp.gif
Im Prinzip handelt es sich um eine Art Sender, die mittlere Platte dient als Antenne, an sie wird ein Oszillatorsignal gelegt (in meinem Fall 8MHz aus einem TTL-Oszillator). Die beiden äußeren Platten arbeiten als Empfänger. Das Signal wird gleichgerichtet und geglättet - durch die antiparallel geschalteten Dioden entsteht eine positive und eine negative Spannung, die bei korrektem Abgleich der Trimmkondensatoren auf Resonanz gleich groß sind, wenn die mittlere Platte auch tatsächlich in der Mitte steht.

Bei Abweichungen aus der Mitte verschiebt sich das Verhältnis drastisch - dieses Signal wertet der Summenverstärker aus.

Ein Pufferverstärker liefert zugleich das Gegensignal für die Dämpfungsspule. Genial, was? :D


LG Niklas

wird fortgesetzt...
Zuletzt geändert von Niklas am Fr. 22. Jun 12 8:35, insgesamt 2-mal geändert.
Niklas
Foren-User
Beiträge: 59
Registriert: Mi. 22. Feb 12 16:12
Wohnort: Pettenbach, Österreich

Positionssensor 2

Beitrag von Niklas »

Positionssensor 2

LVDT


Eine andere Möglichkeit die Position des Pendels zu messen ist der Einsatz eines Lineartransformators, englisch Linear Variable Differential Transformer, abgekürzt als LVDT bezeichnet.

Hier das Funktionsprinzip:
LVDT.png
LVDT.png (15.03 KiB) 31467 mal betrachtet
Ich habe im Netz eine Schaltung gefunden, die das Prinzip auf einfache und höchst effiziente Weise verwirklicht und habe sie auch nachgebaut und getestet. Die Ergebnisse sind ähnlich gut wie beim Kapazitiven Sensor. Ich habe nur die Versorgungsspannung symmetrisch auf plus minus 12Volt festgelegt, ebenso wie den Offsetabgleich, um auch negative Ausgangsspannungen zu erhalten. Warum, steht im Abschnitt AD-Wandler...

Der Sender, der die mittlere Spule mit 1kHz speist:
lvdt_Sinusgenerator.jpg
lvdt_Sinusgenerator.jpg (29.16 KiB) 31467 mal betrachtet
Das ist die Schaltung der Auswertung:
lvdt_Auswertung.jpg
lvdt_Auswertung.jpg (35.85 KiB) 31467 mal betrachtet
So sieht das bei mir in der Praxis aus:
LVDT Komplett.jpg
LVDT Komplett.jpg (125.45 KiB) 31467 mal betrachtet
Die Spulen stammen aus einem Resposten KFZ-Relais von Neuhold Elektronik in Graz. Ich habe ein Stecksystem gewählt um flexibel zu bleiben, wenn ich eine andere Lage der Spulen benötige.
LVDT Spulen.jpg
LVDT Spulen.jpg (104.48 KiB) 31467 mal betrachtet
LG Niklas

wird fortgesetzt...
Niklas
Foren-User
Beiträge: 59
Registriert: Mi. 22. Feb 12 16:12
Wohnort: Pettenbach, Österreich

Verstärker und Filter

Beitrag von Niklas »

Verstärker und Filter

Die noch relativ schwachen Signale aus dem Vorverstärker bzw. Positionssensor müssen nun noch auf einen günstigen Pegel verstärkt werden, bevor sie dem AD-Wandler zugeführt werden. Gleichzeitig durchläuft es mehrere Filterstufen 2. Ordnung. Als Ergebnis stehen letztlich zwei Signale zur Verfügung, eines für höhere Frequenzen bis maximal 20 Hertz, ein zweites für langperiodische Signale von etwa 90 Sekunden bis 2 Sekunden.

Wie ich schon erwähnt habe, gibt es ein so gananntes Bodenrauschen, ausgelöst von Industrieanlagen, Verkehr und nicht zuletzt von Tiefdruckgebieten, die gegen die Landmassen des Kontinents drücken. Kleinere oder ferne Erdbeben gehen gerne mal im Bodenrauschen unter.

Wer einmal über längere Zeit Messungen gemacht hat weiß, dass diese Bodenunruhen starken zeitlichen Schwankungen unterliegen, oftmals über Tage oder Monate! Fourrieranalysen zeigen zudem ein 6 Sekunden Maximum, das auch die Ozeanfrequenz genannt wird - und all das können wir damit messen :cool:



Diese Anforderungen werden von einer Schaltung erfüllt, die ebenfalls von L. Cochrane stammt:
sg-schm lowres.jpg
sg-schm lowres.jpg (39.92 KiB) 31464 mal betrachtet
sg-high lowres.jpg
sg-high lowres.jpg (33.09 KiB) 31464 mal betrachtet
Im Forum ist nur eine schlechte Auflösung möglich. Wer möchte, kann eine höher aufgelöste Abbildung bei mir anfordern!

So sieht dann bei mir die Umsetzung aus - eine Etage pro Achse:
Verstärker Filter.jpg
Verstärker Filter.jpg (120.37 KiB) 31464 mal betrachtet
LG Niklas

wird fortgesetzt...
Zuletzt geändert von Niklas am Sa. 14. Jul 12 8:05, insgesamt 1-mal geändert.
Niklas
Foren-User
Beiträge: 59
Registriert: Mi. 22. Feb 12 16:12
Wohnort: Pettenbach, Österreich

Sprint Layout 5.0

Beitrag von Niklas »

Sprint Layout 5.0

Platinen machen – mein Gott, was habe ich mich geschunden! Vor 30 Jahren, damals noch Mittelschüler, habe ich Platinen auf Millimeterpapier gezeichnet, die Lötaugen mittels zugespitztem Nagel auf die Kupferschicht übertragen, die Leiterbahnen mit Lackstift aufgemalt, grauenvoll!
Es folgten Versuche mit Fotopositiv Lack und Vorlagenfilme aus Tuschepapier und Letraset-Symbolen. Mit den InkJet Druckern wurde das Herstellen der Filme leichter, die Entwürfe entstanden mit Corel Draw.

Irgendwann war die Zeit reif für ein professionelle Layout-Programm – EAGLE. Die Einarbeitungszeit war mit Handbuch aber ohne fremde Hilfe beträchtlich, die ersten Ergebnisse nicht in allen Punkten zufriedenstellend. Zu umfangreich die Funktionen, zu komplex für einen Hobbyelektroniker.

Frustriert und nervlich fast am Ende fand ich Sprint Layout 5.0 von Abacom. Das Programm bietet so ziemlich alles, was man zum Erstellen guter Layouts benötigt, ist einfach zu bedienen, selbsterklärend, flexibel und mit 31,77 Euro (bei Reichelt) extrem kostengünstig.
Abstriche muss man natürlich machen. So erfolgt die Konstruktion direkt auf der Platine, nicht über Eingabe des Schaltplanes. Eine Fehlererkennung ist somit nicht möglich. Ich empfehle es deshalb nur für überschaubare Schaltungsgrößen.

Die hier gezeigten Layouts sind mit Sprint Layout 5.0 erstellt. Wer sich zum Nachbau der einen oder anderen Schaltung entschließen möchte und vielleicht noch ein paar Änderungen vornehmen will, kann ja mal vorsichtig um ein file fragen. Die Software aber bitte selber besorgen (es gibt bei ABACOM einen kostenlosen Viewer).

LG Niklas

wird fortgesetzt...
Niklas
Foren-User
Beiträge: 59
Registriert: Mi. 22. Feb 12 16:12
Wohnort: Pettenbach, Österreich

AD-Wandler uns Software

Beitrag von Niklas »

AD-Wandler und Software

Es gibt viele AD-Wandler auf dem Markt, die Anwendung an sich stellt auch keine hohen Anforderungen an das System. Für die Aufzeichnung seismischer Signale genügt eine Samplingrate von 10 bis 16 Samples pro Sekunde pro Kanal. Schnellere Wandler bringen keinen erkennbaren Vorteil, erhöhen aber die Datenmenge beträchtlich - immerhin wollen wir ja rund um die Uhr aufzeichnen...

Ich habe mich für den DI-158U von DATAQ Instruments entschieden. Entscheidend dafür war die USB-Schnittstelle, eine Auflösung von 10 Bit sowie die sehr ansprechende und komfortable Software, die für seismische Messungen wie geschaffen scheint. Zudem passt die Eingangsempfindlichkeit der Differentialeingänge von plus minus 10 Volt bestens zum Ausgangssignal des Verstärkerboards. Leider hat er nur 4 Kanäle.

Laut Hersteller ist das Gerät nicht mehr erhältlich, es gibt aber Nachfolgermodelle wie den DI-145, auch solche mit 8 Kanälen, wie den DI-149. Wer 3 Achsen „high“ und “low“ messen will und dazu noch einen weiteren Messwert in Bezug stellen will (ich komme noch darauf zu sprechen), sollte die 8-Kanal-Version bevorzugen.

Erhältlich sind die Geräte für Deutschland und Österreich nur bei ALTHEN in Kelkheim (http://www.althen.de), der Bruttopreis liegt bei 83,- Euro (plus 20,- Euro Mindermengenzuschlag… ist das notwendig? :x ), wenn man sich mit 240 Samples pro Sekunde begnügt (für Seismik völlig ausreichend. Wer die Highspeed-Software für 10 kHz pro Kanal dazu will, muss mit 273,- Euro deutlich tiefer in die Tasche greifen).

Bereits in der ersten Nacht der Inbetriebnahme hatte ich ein seltsames Signal am Schirm. Da ich es nicht zu deuten wusste, nahm ich Kontakt mit der Hohen Warte in Wien auf und gab die Beobachtung mit Datum und Uhrzeit bekannt. Der diensthabende Seismologe bestätigte mir ein Tiefenbeben in 620 km Tiefe bei Cordoba in Spanien mit einer Magnitude von 4,3. Die Druckwelle und die Scherwelle hatten einen Laufzeitunterschied von mehreren Minuten, woraus ich die Entfernung schon annähernd berechnen konnte.

Hier das Seismogramm:
Seismogramm.jpg
Seismogramm.jpg (89.41 KiB) 31458 mal betrachtet
LG Niklas

wird fortgesetzt...
Zuletzt geändert von Niklas am Sa. 14. Jul 12 8:08, insgesamt 2-mal geändert.
Benutzeravatar
micha2
User
Beiträge: 1722
Registriert: Do. 01. Aug 02 0:00
Name: Michael Krumrei
Wohnort: Spanien
Kontaktdaten:

Re: Seismometer im Selbstbau

Beitrag von micha2 »

Niklas hat geschrieben:...Ermuntert durch andere Forumsmitglieder habe ich mich entschlossen, einen Diskussionsstrang zu eröffnen, der sich mit dem Selbstbau von Seismometern beschäftigen soll. Ich tue das nicht ohne vorher ein paar grundlegende Dinge klar zu stellen.
Ich bin kein Bergmann. Ich bin in diesem Forum gelandet, weil ich hier einen interessanten Beitrag über den Selbstbau eines Gamma-Spektrometers fand und fühlte mich stets gut aufgenommen. Zudem wurde mir versichert, dass ein Beitrag über Seismik gut in ein geologisches Forum passen würde.
Glück auf Niklas,
dieses Forum ist für alle offen, die sich für das sehr weite Feld der Geowissenschaften interessieren!
Sei es (Alt)Bergbau, Geophysik/Chemie, Montanarchäologie, Mineralogie, Geodäsie, Metallurgie etc. usw...
Jeder, der vernünftige Fragen oder Beiträge zum Thema hat, ist hier willkommen! Die Bergleute sind in diesem Forum wohl sowieso eher eine Minderheit :?

Jedenfalls vielen Dank für den exzellenten Beitrag: Das ist ja mal eine hervorragende Arbeit :top:
Ich muss mich da erstmal in Ruhe einarbeiten - Spannendes Thema und ein sehr überzeugendes Beispiel für experimentelle Geophysik.

mit herzlichem Gruß
Krumi

Nachtrag:
Niklas hat geschrieben:...Im Forum ist nur eine schlechte Auflösung möglich. Wer möchte, kann eine höher aufgelöste Abbildung bei mir anfordern!
Du kannst mir (wenn gewünscht) mal die Originalbilder mailen, ich stelle sie dann im Beitrag ein.
Ein totalitäres System erkennt man daran, daß es die Kriminellen verschont und den politischen Gegner kriminalisiert
(Alexander Issajewitsch Solschenyzin)
Falafel
Foren-Profi
Beiträge: 1339
Registriert: Fr. 01. Aug 03 0:00
Name: Stephan Adlung
Wohnort: Freiberg

Re: Seismometer im Selbstbau

Beitrag von Falafel »

Nur mal so als Hinweis: Im Prinzip haben wir auch mit benno einen "richtigen" Geophysiker unter uns. Er war nur lange nicht mehr im Forum aktiv. Aber für Fragen kann man vielleicht via PN Kontakt aufnehmen. Meinen Vater kann ich nicht mehr fragen - das wäre dann eher was für ein Esotherik-Forum ... :wink: Wäre allerdings interessant gewesen, da er sich mit Seismik intensiver beschäftigt hatte.

Glück Auf!
Stephan
Niklas
Foren-User
Beiträge: 59
Registriert: Mi. 22. Feb 12 16:12
Wohnort: Pettenbach, Österreich

Re: Seismometer im Selbstbau

Beitrag von Niklas »

Hallo Krumi und Falafel,

ich bedanke mich erst mal für die Reaktionen! Ich bin zum ersten mal an der Öffentlichkeit mit meinem Projekt und bin ganz offen gestanden etwas unsicher...

Bekanntlich gilt der Spruch: Wer viel misst, misst viel Mist. Seismometer werden inzwischen als App für iPhone und Co. angeboten...

Für das System spricht, dass es auf die Bodenunruhe reagiert und auch ferne Beben angezeigt hat. Somit dürfte das schlechteste daran mein Standort sein - nicht umsonst hat die österreichische Hohe Warte in Niederösterreich einen aufgelassenen Bergwerksstollen angekauft, in dem sich jetz 150 Meter unter Tage, also tief in einem massiven Gebirgsstock, das Conrad-Observatorium befindet (hat nichts mit Conrad Elektronik zu tun :wink: ).

Die Räume werden auch von Seismologen nur in Ausnahmefällen betreten, wegen der Temperaturstabilität. Auch die Kalibrierung von Seismometern findet dort statt.

Dennoch habe ich Unsicherheiten bezüglich des angezeigten Signals, insbesondere des Low-Ports. Ich habe inzwischen 2 identische SG-Seismometer aufgebaut und in gleicher Achse ausgerichtet. Dennoch wichen die sehr langsamen Signale von einander ab. Andere Amateurseismologen berichten von Thermischem Rauschen und stellen ihre Geräte in temperaturstabilen Styroprboxen auf.

Haltet Ihr es für möglich, dass durch thermische Einflüsse ein Fehlersignal entsteht, dass sich über 10 oder 20 Sekunden hinzieht?

Versuchsweise werde ich das Signal eines Instrumentes auf beide Verstärker legen um zu sehen, ob der Fehler vielleicht aus dem Filterboard oder doch aus den Seismometern kommt. Ich werde darüber berichten...

LG Niklas
Niklas
Foren-User
Beiträge: 59
Registriert: Mi. 22. Feb 12 16:12
Wohnort: Pettenbach, Österreich

Re: Seismometer im Selbstbau

Beitrag von Niklas »

Ich habe noch einen interessanten Link zu einer Seite, auf der die Entwicklungsgeschichte der Seismografen behandelt wird. Hier findet man auch gutes Grundlagenwissen zur Bodenunruhe oder zur allgemeinen Physik der Instrumente. Pflichtlektüre!!! :D

http://www.geophys.uni-stuttgart.de/old ... raphen.htm

Wirklich sehr interessant zu lesen!

LG Niklas
Benutzeravatar
micha2
User
Beiträge: 1722
Registriert: Do. 01. Aug 02 0:00
Name: Michael Krumrei
Wohnort: Spanien
Kontaktdaten:

Re: Seismometer im Selbstbau

Beitrag von micha2 »

Niklas hat geschrieben: Haltet Ihr es für möglich, dass durch thermische Einflüsse ein Fehlersignal entsteht, dass sich über 10 oder 20 Sekunden hinzieht?
Hi Niklas,
bei der Anzahl Filter/Verstärker halte ich so gut wie alles für möglich!
Sowohl thermische, als auch elektromagnetische Einflüsse können da einwirken. Auch das Layout der Platinen kann mitunter zu erheblichen Fehlern führen - oder eine ungünstige Spannungsversorgung etc... Eine exakte Fehleranalyse ist hier natürlich extrem schwierig.
Dein Ansatz mit den parallelgeschalteten Verstärker ist jedenfalls gut.

Wenn das nicht weiter führt, könnte man die Sensoren evt. auch durch eine passive Ersatzschaltung nachbilden. Soll heisen:
Der kap. Sensor wird durch adäquate Kondensatoren ersetzt, der Induktive durch eine Spule ohne beweglichen Kern... Damit könnte man teilw. auch die Abweichung zwischen den Verstärkern eingrenzen.

Das sind aber nur meine Gedanken dazu. Pers. würde ich in diesem Fall einen Signalprozessor einsetzen: Die Abtastraten sind ja sehr moderat und die Filteralgorithmen lassen sich leicht optimieren.

Wie schon gesagt: Ein sehr spannendes Thema.
Als feldtauglicher Seismometer (Sprengseismik) würde mir u.a. eine Lösung mit Dehnungsmeßstreifen einfallen -> http://de.wikipedia.org/wiki/Dehnungsmessstreifen
Oder Piezoelemente... Aber ich werde mich erstmal um meinen Spektrometer kümmern :party:

Glück auf
Krumi
Ein totalitäres System erkennt man daran, daß es die Kriminellen verschont und den politischen Gegner kriminalisiert
(Alexander Issajewitsch Solschenyzin)
Benutzeravatar
MichaP
User
Beiträge: 4786
Registriert: Do. 01. Aug 02 0:00
Name: Michael Pfefferkorn-Ungnad
Kontaktdaten:

Re: Seismometer im Selbstbau

Beitrag von MichaP »

ganz unfachmännisch eine idee aus anderen bereichen: die messeinheit doppelt bauen und an unterschiedlichen standorten plazieren, beide messdaten zusammenführen und den mittelwert bilden. das gleich zwei geräte misst messen ist unwahrscheinlich.
Glück auf!

Michael
______________________________________
heisa
Foren-User
Beiträge: 32
Registriert: So. 03. Jun 12 11:06
Name: Hugo Eisenwagner

Re: Seismometer im Selbstbau

Beitrag von heisa »

Hallo Niklas
Erst einmal danke für deine Berichte.Sieht sehr gut aus was du da aufgebaut hast.ich hab wie gesagt großes Interesse aber überhaup keine Erfahrung mit Seismometern aber ich möcht mich doch daran wagen.Ich hab auch schon über die thermische Abschirmung gelesen die die meisten empfehlen,ich könnte mir schon vorstellen daß durch geringe Luftströmungen unterschiedliche Ausdehnungen im Aufbau auftreten besonders weil du von Ereignissen schreibst die doch extrem langsam ablaufen.

Wie gehts deinem Spektrometer Projekt?

Bis zum nächsten Mal
l.G.

Hugo
MatthiasM
Foren-Profi
Beiträge: 720
Registriert: So. 01. Aug 04 0:00
Name: Matthias Mansfeld

Re: Seismometer im Selbstbau

Beitrag von MatthiasM »

MichaP hat geschrieben:ganz unfachmännisch eine idee aus anderen bereichen: die messeinheit doppelt bauen und an unterschiedlichen standorten plazieren, beide messdaten zusammenführen und den mittelwert bilden. das gleich zwei geräte misst messen ist unwahrscheinlich.
Wie weit sollen die Standorte auseinander sein? Zu weit = signifikante Signallaufzeit der Erdbebenwellen zwischen den Geräten, und somit ist das Zusammenrechnen der Meßwerte Unfug. Es gibt ja verschiedene Wellenarten (Longitudinal, Scher- und noch so ein paar komische, die am Ort des Geschehens gleichzeitig loslaufen und je nach Entfernung mit genauem zeitlichen Versatz ankommen >> Entfernung rückrechenbar. Dann kann man mit genau einem Meßort und XYZ unter Umständen an der Auslenkungsrichtung sogar recht präzise sagen, aus welcher Richtung die Wellen herkamen (genauer geht's natürlich über Laufzeiten von verschiedenen SEHR weit voneinander entfernten Meßstationen).

Ganz andere Idee: viele moderne dreiachsige Seismometer haben heute meistens keine X und Y-Achse (gleicher Aufbau) und eine völlig anders zu konstruierende Z-Achse, die nehmen drei von allen Eigenschaften her gleiche Aufnehmer mit im Raum je 90° zueinander; von oben gesehen 120° dazwischen, horizontal irgendein schräger Winkel, den auszurechnen ich jetzt zu faul bin, und rekonstruieren die X, Y und Z-Signale nachher aus den Signalen der drei zueinander orthogonalen Aufnehmer. Vorteil: die Eigenschaften (Frequenzgang usw.) die Konstruktion, die Elektronik usw. aller dreier Aufnehmer sind völlig gleich.
Zuletzt geändert von MatthiasM am Do. 05. Jul 12 12:34, insgesamt 1-mal geändert.
Niklas
Foren-User
Beiträge: 59
Registriert: Mi. 22. Feb 12 16:12
Wohnort: Pettenbach, Österreich

Re: Seismometer im Selbstbau

Beitrag von Niklas »

Hallo,
Pers. würde ich in diesem Fall einen Signalprozessor einsetzen
der Ansatz könnte mir sehr gut gefallen! In Analogtechnik lässt sich kaum realisieren, was ein guter Signalprozessor zu leisten vermag. Dazu würde es einen guten Programmierer brauchen, der aus unserem Signal etwas vernünftiges herausrechnen kann. Nicht auszuschließen, dass das ohnehin schon jemand getan hat und die Software irgendwo im Netz schlummert...

Dehnungsmessstreifen oder Piezo:

Zu ersterem habe ich noch keine Informationen im Hinblick auf Seismometer, zu piezobasierenden "Erschütterungsmeldern" schon. Ich habe aber folgende Überlegung dazu: Ein Seismometer soll die Bewegung des Untergrundes gegenüber einer "ruhenden" Masse möglichst dimensionsgetreu erfassen.

Ruhend kann eine Masse nie ganz sein, da sie sich ja letztendes auch an der Erdoberfläche abstützt und eigentlich ein Pendel ist. Durch eine geeignete Aufhängung versucht man aber die Trägheit auszunutzen und die Eigenfrequenz des Pendels möglichst fern der zu messenden Frequenz zu halten, die im Falle eines Erdbebens ein Maximum zwischen 4,5 und 7 Hz hat [...] vereinfacht.

Der große Durchbruch ist aber meines Erachtens die Entwicklung von "Force Balance Seismometern" gewesen, da es hier gar nicht erst zu einem Eigenschwingen der Masse kommt.

Ein weiterer Punkt ist, dass die Messung der Bodenbewegung zur Masse möglichst so erfolgen soll, dass die Masse durch die Messung nicht beeinflusst wird. Eine kapazitive Abnahme erfüllt diesen Anspruch vermutlich am besten, da sie völlig berührungslos ist und die Nachteile einer induktiven, elektrodynamischen Abnahme umgeht (Verluste im langperiodischen Bereich - wegen dI nach dT = sehr klein...).

Bei einem piezoresistiven System erfolgt eine Verformung des Elementes durch die Masse selbst, was einen physischen Kontakt voraussetzt. Dehnungsmessstreifen detto. Ich glaube nicht, dass man hier eine große Genauigkeit erzielen kann.

Geophone:

Das bei der Suche nach Geothermie und Rohöl eingesetzte Verfahren der seismischen Bodenuntersuchung nutzt Geophone als Sensor. Diese Sensoren sind trotz ihrer Empfindlichkeit sehr robust und funktionieren auch noch in leichter Schieflage. Die Signalerzeugung erfolgt elektrodynamisch, die Eigenfrequenz der Sensoren beträgt 4,5 Hz. In der Sprengseismik wären sie sicher die beste Wahl! Fallweise findet man auch welche aus Surplus-Beständen im Netz.


Ein gutes Breitband - Seismometer sollte von 0,016 Hz (1 Minute/Periode) bis etwa 30 Hz arbeiten. Dazu erwarte ich mir eine Empfindlichkeit in der Höhe der Bodenunruhe. Diese Anforderungen werden von einem Force Balance Broadband Seismometer am besten erfüllt. Verbesserungen wird dann wohl nur mehr die Signalverarbeitung bringen.


Liebe Grüße,

Niklas

.
Niklas
Foren-User
Beiträge: 59
Registriert: Mi. 22. Feb 12 16:12
Wohnort: Pettenbach, Österreich

Mikrobarometer

Beitrag von Niklas »

Hallo,

ich habe in den letzten Tagen ein Infraschallmessgerät /Mikrobarometer konstruiert,dass nun einsatzbereit ist.
Mikrobarometer_02.jpg
Mikrobarometer_02.jpg (132.8 KiB) 31101 mal betrachtet
Auf der Platine links zu sehen ist der Differenzdrucksensor, gleich daneben der Messverstärker. Anschließend wird das Signal aufgeteilt und durchläuft mehrere Verstärker- und Filterstufen. Die niederfrequente Seite filtert 0,02 bis 2 Hz heraus und ist als Mikrobarometer zu verstehen. Sie stellt Druckschwankungen dar, die nach der barometrischen Höhenformel einem Höhenunterschied von wenigen Zenetimetern entsprechen.

Diese Druckschwankungen finden in der Atmosphäre offensichtlich ständig statt, etwa eine halbe Stunde vor einem Gewitter oder Sturm sind sie sogar sehr heftig!

Die "hochfrequente" Seite filtert 0,2 bis 20 Hz heraus und dient als Infraschallmessgerät. Sie reagiert zum Beispiel auf das Eintreten eines Meteoriten in die Erdatmosphäre, auf Atomversuche weltweit oder auf die Schallemissionen von Windkraftwerken. Dafür wird aber eine aufwändige, rosettenartige Rohrkonstruktion [...] benötigt, die gerne mal 20 Meter Durchmesser hat.

Unterhalb der Platine befindet sich ein Aluminiumbehälter, das sogenannte Backing Volume, mit ca. 330ccm. Das hintere Ende des Differenzdrucksensors ist mit diesem Behälter verbunden, der seinerseits mit einem Kapillarrohr (sehr dünne Injektionsnadel) den Druck zur Atmosphäre nur sehr langsam ausgleichen kann. Auf diese Weise kann man die langsamen, wetterbedingten Druckschwankungen ausblenden.

Dieses Messgerät war nun Ausgangspunkt für eine sehr interessante Messung...


LG Niklas
Niklas
Foren-User
Beiträge: 59
Registriert: Mi. 22. Feb 12 16:12
Wohnort: Pettenbach, Österreich

Re: Seismometer im Selbstbau

Beitrag von Niklas »

Hallo,

bei den ersten Messungen mit dem Mikrobarometer habe ich Signale beobachtet, die mich irgendwie an die seismische Bodenunruhe erinnert haben. Ich habe mir die Mühe gemacht mein Vertikalseismometer und das Mikrobarometer gleichzeitig zu betreiben und die Signale auf dem Oszilloskop gegenüber zu stellen. Und siehe da...
Infraschall_02.png
Infraschall_02.png (17.39 KiB) 31100 mal betrachtet
Oben ist gelb das Drucksignal, unten rot das seismische. Die Parallele ist wohl kaum zu übersehen!
Ganz offensichtlich genügen diese sehr geringen Druckschwankungen, um den Auftrieb der ca. 60 Gramm schweren Scheibe auf dem Seismometerarm so stark zu beeinflussen, dass es zu einer fatalen Fehlmessung kommt. (Das Barometer liefert ein wesentlich kleineres Signal, wodurch es zu einem ungünstigen Signal - Rausch - Verhältnis kommt, was sich durch die sehr breite gelbe Linie bemerkbar macht).

Ein Vertikalseismometer lässt sich somit sinnvollerweise ausschließlich in einem luftdicht abgeschlossenen Behälter betreiben - ich werde das berücksichtigen.

LG Niklas
Niklas
Foren-User
Beiträge: 59
Registriert: Mi. 22. Feb 12 16:12
Wohnort: Pettenbach, Österreich

Re: Seismometer im Selbstbau

Beitrag von Niklas »

Hallo,

die beiden Herren Brett Nordgren und David Nelson haben ein Vertikalseismometer entworfen, dass höchsten Ansprüchen genügt und von jedermann nachgebaut werden kann, der über ein wenig Erfahrung in der Metallbearbeitung verfügt und entsprechendes Werkzeug zur Verfügung hat.

Das Ergebnis ihrer Arbeit ist hervorragend dokumentiert und im Netz nachzulesen:

http://alabamaquake.com/equipment.html

Auf der Homepage der Konstrukteure findet man ein ganzes Archiv an Informationen...

http://bnordgren.org/seismo/

Sehr interessant ist das kapazitive Sensorsystem und die Robustheit der Konstruktion - da könnte Krumi glatt eine Sprengung machen daneben. :D

Es gibt mehrere Hardwareausführungen zu dem Instrument mit unterschiedlichem Platzbedarf - "Inyo" ist das größere, "Yuma" ist etwas kleiner. Beide verwenden die gleiche Elektronik.

ACHTUNG: Der verwendete Buffer vom Typ LT1010 wird mir vorliegenden Informationen von Linear Technology nicht mehr hergestellt und ist auch nicht mehr erhältlich. Es gibt auch keinen Pin-kompatiblen Ersatz dafür!
Ersatzweise kann man den BUF634T von Burr Brown verwenden, dazu muss man aber die Beine verdrehen oder die Platine umkonstruieren! Der Baustein im 8-Pin DIP Gehäuse ist bei RS Komponents unter der Bestellnummer 660-4217 für etwa 10,- Euro erhältlich.


http://docs-europe.electrocomponents.co ... c81396.pdf

Es gibt auch ein Platinenlayout zur Schaltung, ist vermutlich mit PROTEL oder TARGET erstellt (*.brd).
Das Layout ist zweiseitig durchkontaktiert und sollte wohl von einem professionellen Hersteller angefertigt werden, wenn man nicht Nieten einpresssen möchte, wegen der kleinen Lötaugen.

Da ich meine Platinen gerne selber machen, habe ich mir die Mühe gemacht ein einseitiges Layout mit SprintLayout 5.0 zu entwerfen. Ich habe dazu halt 6 Drahtbrücken gebraucht. Ist aber noch nicht fertig aufgebaut und getestet. Die 10uF Folienkondensatoren sind auf der Unterseite in SMD-Ausführung, wegen der Größe und der leichteren Verfügbarkeit. Vermutlich könnte man aber auch bipolare ElKos verbauen.
Platine DSC_7437.jpg
Platine DSC_7437.jpg (128.6 KiB) 31098 mal betrachtet
Ich werde berichten, wenn es erste Ergebnisse gibt.


LG Niklas
Niklas
Foren-User
Beiträge: 59
Registriert: Mi. 22. Feb 12 16:12
Wohnort: Pettenbach, Österreich

Re: Seismometer im Selbstbau

Beitrag von Niklas »

Hallo,

An dieser Stelle muss ich mich selbst korrigieren - der LT1010 ist bei Voelkner Elektronik erhältlich und kostet dort 4,84 Euro.

Im Sinne der Zukunftssicherheit muss jeder selbst entscheiden ob er ihn noch verbauen will.

LG Niklas
Benutzeravatar
Michael Kitzig (†)
Foren-Profi
Beiträge: 1504
Registriert: Do. 01. Aug 02 0:00
Wohnort: Bad Sooden-Allendorf

Re: Seismometer im Selbstbau

Beitrag von Michael Kitzig (†) »

... lass die Finger von bipolaren Elkos - sind eine einzige Fehlerquelle.
Folie ist gut...
heisa
Foren-User
Beiträge: 32
Registriert: So. 03. Jun 12 11:06
Name: Hugo Eisenwagner

Re: Seismometer im Selbstbau

Beitrag von heisa »

Hallo Niklas

Hoch interessanter Beitrag ! Ich komm nochmals auf meine Unerfahrenheit zurück, was ist eigentlich geeigneter zur Detektion von Fernbeben, Horizontalseismometer oder Vertikalseismometer ?
beziehungsweise womit werden lokale Störungen weniger aufgenommen. Wie du schon in deinem Beitrag geschrieben hast betreibt die ZAMG Seismometer in einem Bergstollen was ja nicht so leicht zur Verfügung steht. Wie schaut der Betrieb eines Vertikalseismometers in einem Netzwerk aus, wie wird da die Richtung der Bebenwelle bestimmt ?
Eine Menge Fragen vielleicht kannst du uns dazu etwas sagen

l.G.

Hugo
Niklas
Foren-User
Beiträge: 59
Registriert: Mi. 22. Feb 12 16:12
Wohnort: Pettenbach, Österreich

Re: Seismometer im Selbstbau

Beitrag von Niklas »

Hallo Hugo,

ich bin leider auch kein Geophysiker und bin demnach nicht der richtige Ansprechpartner, zudem gehe ich dieser Leidenschaft noch nicht all zu lange nach und habe wenig Erfahrung.

Als in Japan das Erdbeben der Stärke 8,9 stattfand, registrierte das Karlsruher Institut für Technologie binnen 1 1/2 Minuten ein Anheben und Absenken des Bodens um 9mm, sowie eine Verschiebung in Nord-Süd-Richtung um 9mm und in Ost-West-Richtung um 5mm. Das würde eigentlich bedeuten, dass um ein Fernbeben zu registrieren beide Instrumente zu brauchen sind. Um Erfahrungen auf dem Gebiet zu sammeln ist es sicher auch von Interesse, horizontal und vertikal zu messen und die Daten zu vergleichen.

Das Beispiel zeigt auch, dass das Seismometer breitbandig sein muss.

Seismische Wellen sind sehr komplexe physikalische Phänomene. Im Internet finden sich zahlreiche theoretische Abhandlungen über die Art der Wellen und ihre Ausbreitung, ich will mich hier nicht unnötig zu einem Thema verbreitern, über das andere viel besser Bescheid wissen.

Google einfach mal nach Druckwelle (P-Welle, Primärwelle, pressure wave), Scherwelle (S-Welle, Sekundärwelle), Love-Welle (horizontal), und Rayleigh-Welle (horizontal und vertikal), es finden sich gute Erklärungen dazu, mit bildlichen Darstellungen untermauert.

Auf Grund der Komplexität der Wellenphänomene lassen sich mit einfachen Mitteln wohl kaum die Richtung eines Bebens exakt bestimmen, dazu benötigt es neben guten Instrumenten eine ausgeklügelte Analyse-Software. Lediglich die Entfernung kann man aus dem Laufzeitunterschied aus Druck- und Scherwelle relativ gut berechnen.

In meinem Fall des Tiefenbebens in Spanien konnte ich die Druckwelle um 00:11, die Scherwelle um 00:13 Uhr nachweisen (für eine sekundengenaue Angabe müsste ich deas Signal nochmals genauer ansehen). Der Umstand, dass es sich um ein Beben in 620km Tiefe handelte, bewirkte bei mir einen Rechenfehler. Man darf wohl nicht vergessen, dass die Qualität seismischer Messungen wesentlich von der Vernetzung weltweit aufgestellter Messinstrumente herrührt!

LG Niklas

PS.: Bau ein FBV (Force Balance Vertikal) und gleiche mit mir Deine Daten ab - das wäre sehr interessant!
heisa
Foren-User
Beiträge: 32
Registriert: So. 03. Jun 12 11:06
Name: Hugo Eisenwagner

Re: Seismometer im Selbstbau

Beitrag von heisa »

Hallo Niklas
Naja bin jetzt noch nicht schlauer,der Bericht von der realen Erdbewegung hat mich wirklich überrascht
hätte mir nicht gedacht daß das trotz der großen Entfernung so viel ist.
Ich war kurz nach dem Beben aus dienstlichen Gründen dort, im Vergleich zu den Zunami Schäden waren die Beben Schäden nicht so sichtbar.
Ich hab in den Links die du erwähnt hast ein Inverspendel Seismometer gesehen mit einem ganz dünnen Blechstreifen als Träger und kapazitivem Positionssensor, das man ziemlich klein bauen kann bzw das kleine Modell vom Vertikalseismometer, würd gern ein Seismometer bauen das transportabel ist.
Wie gehts deinem Gamma Spektrometer würde mich interessieren wie weit du schon gekommen bist.

Einstweilen liebe Große

Hugo
Benutzeravatar
Fahrsteiger
Foren-Profi
Beiträge: 842
Registriert: Fr. 28. Okt 05 20:24
Name: Horst Bittner
Wohnort: 52459 Inden-Schophoven
Kontaktdaten:

Re: Seismometer im Selbstbau

Beitrag von Fahrsteiger »

Gerade gefunden!
Seismometer-Tests im Schwarzwald
Mit der japanischen Mondmission Selene-2 sollen in einigen Jahren auch mehrere empfindliche Seismometer auf den Erdtrabanten gelangen, um neue Daten über die geheimnisvollen Mondbeben zu liefern. Die Instrumente werden gegenwärtig in einem Bergwerk im Schwarzwald auf ihre Tauglichkeit getestet und könnten auch einmal auf dem Mars zum Einsatz kommen.
Seismometer
Der Mond wird immer wieder durch lokale Beben erschüttert - Erkenntnisse über deren Ursprung und Stärke sind wichtig, um beispielsweise Mondbasen für Astronauten bebensicher aufbauen zu können oder Rückschlüsse über den inneren Aufbau des Monds zu erhalten. Um die Beben und auch die Auswirkungen der Gravitationsbeschleunigungen, also der Schwerkraft, zu untersuchen, soll bei der japanischen Mondmission Selene-2 ein Instrumentenpaket mit mehreren Seismometern auf der Mondoberfläche installiert werden.
Das Kernstück dieser geophysikalischen Mission ist ein neu entwickeltes, sehr breitbandiges Seismometer, das Wissenschaftler am Institut de Physique du Globe in Paris (IPGP) in Kooperation mit der ETH Zürich und dem Max Plank Institut für Sonnensystemforschung entwickelt haben. Das Seismometer soll das ganze Signalspektrum von sehr häufigen lokalen Mondbeben bis hin zu den Gravitationsbeschleunigungen von Erde und Mond abdecken. Ergänzend kommen drei kurzperiodische Seismometer der japanischen Raumfahrtbehörde Japan Aerospace Exploration Agency (JAXA) hinzu, mit denen hochfrequente Erschütterungen in alle drei Raumrichtungen gemessen werden sollen.
Zudem könnte das breitbandige Seismometer auch auf dem Mars zum Einsatz kommen, wenn sich die amerikanische Weltraumbehörde NASA dazu entschließt, die Mission Insight als die Discovery-Mission auszuwählen, die im Jahr 2016 starten soll (astronews.com berichtete): Die Wissenschaftler würden mit dem Instrument dann unter anderem Marsbeben, die Eigenschwingungen des Planeten, welche möglicherweise durch Beben oder durch Turbulenzen in der Marsatmosphäre angeregt werden, sowie die Schwerewirkung des Marstrabanten Phobos messen.
Werbung
Noch bis zum Freitag der kommenden Woche testen die Konstrukteure der Selene-2-Mission jetzt die Mondseismometer am Black Forest Gemeinschaftsobservatorium (BFO) in Schiltach im Schwarzwald auf ihre Tauglichkeit. Das BFO ist eine gemeinsame Einrichtung des Karlsruher Instituts für Technologie (KIT) und der Universität Stuttgart. "Die Testbedingungen am BFO sind weltweit einmalig", sagt der KIT-Wissenschaftler und BFO-Mitarbeiter Dr. Thomas Forbriger. Denn die Einrichtung gehöre mit ihrer abgeschiedenen Lage in einem stillgelegten Bergwerk einerseits zu den ruhigsten, von Störquellen kaum beeinflussten Stationen des globalen seismologischen Netzwerkes. "Zudem definiert das BFO mit seinem langjährig betriebenen Instrumentarium die erreichbare Empfindlichkeit für seismische Messungen auf der Erde, die Instrumente am BFO gelten somit weltweit als Standardgröße."
In der kommenden Woche werden die Seismometer in eine Vakuumkammer eingebaut, mit der die Wissenschaftler die Bedingungen auf dem Mond bestmöglich simulieren und so die Geräte auf ihre Einsatzbereitschaft prüfen können.
Mit der Selene-2-Mission knüpfen die Wissenschaftler an die geophysikalischen Untersuchungen der Apollo-Programms an: Zwischen 1969 und 1972 hatten Astronauten bereits ein Seismometer-Netzwerk auf der Mondoberfläche installiert, um Beben zu registrieren. Die Messergebnisse hatten damals ergeben, dass es vier verschiedene Arten von Mondbeben gibt: Beben um 700 Kilometer unter der Mondoberfläche, Nachwirkungen eines Kometen- oder Asteroideneinschlags, Ausbrüche, die durch eine rasche Erhitzung der Oberfläche ausgelöst werden sowie Mondbeben, die nur 20 bis 30 Kilometer unter der Mondoberfläche passieren.
Insbesondere vom breitbandigen Seismometer mit einem im Vergleich zu den bei der Apollo-Mission eingesetzten Instrumenten erheblich vergrößerten Empfindlichkeit erhoffen sich die Wissenschaftler nun neue Einblicke ins Innere des Mondes und - wenn die InSight-Mission denn ausgewählt wird - des Mars, die zur Lösung derzeit offener Fragen wie etwa die Größe und Zusammensetzung des Mond- und Marskerns oder die detaillierte Mantelstruktur beitragen können.
Glück Auf
Horst
Dem Bergbau verschworen. Im Bergbau geschafft. Zum Bergmann erkoren mit stählerner Kraft.
Niklas
Foren-User
Beiträge: 59
Registriert: Mi. 22. Feb 12 16:12
Wohnort: Pettenbach, Österreich

Re: Seismometer im Selbstbau

Beitrag von Niklas »

Hallo Hugo,

den Beitrag über das Inverspendel Seismometer habe ich schon entdeckt und finde ihn ebenfalls sehr interessant! Ich denke, das Instrument wird mein nächstes Projekt werden.

Derzeit arbeite ich fieberhaft am Bau zweier Force Balance Vertikal Seismometer. Zunächst möchte ich das Inyo fertigstellen, da hierfür gute technische Zeichnungen für die Hardware verfügbar sind. Die Metallteile sind teilweise schon zusammengebaut.

Die Platine habe ich neu entworfen (einseitiges Layout) und ist bereits fertig bestückt. Erste Tests lassen zumindest annehmen, dass alles funktioniert.
Inyo Platine.jpg
Mit dem Napa habe ich ebenfalls begonnen, hier habe ich das Layout nochmals umkonstruiert, damit Gerät und Platine in das Gehäuse passen. Das Hammond Gehäuse 1550Z137 habe ich bei Völkner Elektronik erhalten, es kostet dort 22,68 Euro plus Versand. Ich habe auch eine Konstruktionszeichnung gemacht und gehe nun daran, die Einzelteile anzufertigen. Das Instrument ist wegen seiner geringen Größe interessant, zumal es in das besagte, lufdichte Gehäuse passt!

Mit dem gleichen Konzept der kapazitiven Sensoren möchte ich anschließend ein verbessertes Horizontalseismometer bauen, transportabel und robust! Wenigstens eines der Instrumente möchte ich im Oktober auf La Gomera zum Einsatz bringen, wenn nichts dazwischen kommt...

Ich bin gespannt auf den ersten Funktionstest und werde darüber berichten...


Liebe Grüße,

Niklas
heisa
Foren-User
Beiträge: 32
Registriert: So. 03. Jun 12 11:06
Name: Hugo Eisenwagner

Re: Seismometer im Selbstbau

Beitrag von heisa »

Hallo Niklas

Das klingt gut. Wo kann man denn die Konstruktionszeichnungen für das Napa bekommen ?
Eine Werkstätte mit Drehbank und Fräsmaschine könnte ich in meiner Arbeit benutzen. Wie machst du deine Platinen? Lässt du sie machen nach Layout oder fräst du sie ? Fragen über Fragen.
Vielleicht kannst du mir da weiterhelfen.

Liebe Grüße

Hugo
Niklas
Foren-User
Beiträge: 59
Registriert: Mi. 22. Feb 12 16:12
Wohnort: Pettenbach, Österreich

Re: Seismometer im Selbstbau

Beitrag von Niklas »

Hallo Hugo,

meine Platinen mache ich selber. Das Layout drucke ich mit einem InkJet-Drucker auf geeignete Overhead-Folie. Als Basismaterial verwende ich fotopositivbeschichtete Printplatten von Bungard, sind von guter Qualität ( bei den "billigen" von Conrad gab's teilweise Probleme). Folie und Platte kommen für 2 Minuten in ein Belichtungsgerät mit UV-Röhren, anschließend wird in einem speziellen Entwickler 40 Sekunden entwickelt und gut abgespült.

Als Ätzbad verwende ich Salzsäure 30%, Wasserstoffperoxid 30% und Wasser zu je einem Drittel. In weniger als eine Minute ist die Platine fertig geätzt. Die Chemikalien sind in der Apotheke erhältlich - Vorsicht beim Hantieren, Salzsäure dampft ungesund und Peroxid ist nicht gut für die Haut, wird weiß wie Kreide ;-)

Zuletzt entferne ich die Reste des Fotolacks mit Aceton und sprühe die Leiterplatte mit Lötlack SK 10 von Kontakt Chemie ein, damit hat man einen provisorischen Schutz vor Oxidation und das Löten geht besser. Wenn alles fertig ist kann man den Lötlack mit Spiritus entfernen und mit hochisolierendem Schutzlack Plastik 70 von Kontakt Chemie beschichten. Teile der Schaltung sind sehr hochohmig, da muss man auf Sauberkeit und Trockenheit achten.


Die Konstruktionszeichnung habe ich ebenfalls mit meinem Platinenlayout-Programm Sprint Layout 5.0 erstellt, sind aber nur 2D und ohne Bemaßung. Ich konnte sie nur den zahllosen Fotos des Gerätes nachempfinden, weiß noch nicht, ob ich alles richtig umgesetzt habe. Das ist sehr praktisch, weil man die Bohrungen gleich von der Platine übernehmen kann.

Unterschied zum original Napa ist, dass die Platine einteilig ist, während das Original in der letzten Version den Kapazitiven Sensor aus Platzgründen auf einer eigen Platine aufbaut. Dadurch ist meine Platine etwas größer, geht aber trotzdem ins Gehäuse. In der Napa-Version habe ich die LED zusammen und an den Rand gelegt, so könnte man durch ein Glasfenster die Anzeige sehen. Teilweise verwenden die Konstrukteure dann abgedichtete Steckverbindungen, bin diesbezüglich aber noch nicht fündig geworden.

So sieht das in etwa aus:
FBV Napa.JPG
FBV Napa.JPG (32.23 KiB) 30813 mal betrachtet
Ich muss aber die Konstruktion noch einmal überarbeiten!

Liebe Grüße,

Niklas

.
heisa
Foren-User
Beiträge: 32
Registriert: So. 03. Jun 12 11:06
Name: Hugo Eisenwagner

Re: Seismometer im Selbstbau

Beitrag von heisa »

Hallo Niklas
Sehr beeindruckend ! Ich glaub ich werde dich einmal besuchen müssen
würde mir deine bis jetzt schon realisierten Seismometer gern anschauen.
und natürlich gern Details über versteckte Schwierigkeiten erfahren.

Bin schon neugierig auf deine weiteren Berichte

Liebe Grüße

Hugo
Antworten